| 產品描述 | 技術參數 | 包裝參數 | 技術文檔 | |||
|
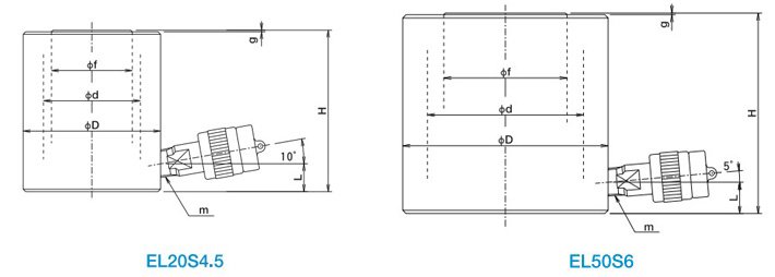
OJ EL型薄型液壓千斤頂介紹 【產品名稱】OJ EL型薄型液壓千斤頂 【產品品牌】日本OJ大阪千斤頂(OSAKA JACK) 【產品規格】10T,20T,30T,50T,100T 【產品保質】保質期12個月 【是否現貨】部分型號有現貨 【典型應用】狹小空間頂升用 【產品來源】薄型液壓千斤頂
OJ EL型薄型液壓千斤頂特點 ●OJ EL型薄型液壓千斤頂帶有彈簧復位,輕松回位; ●OJ EL型薄型液壓千斤頂活塞桿進行了鍍鉻加工,光滑摩擦力小,使用不漏油,更耐用; ●OJ EL型薄型液壓千斤頂附有除去活塞桿上付著灰塵的防塵密封; ●OJ EL型薄型液壓千斤頂是無需安裝螺紋、降低了高度,適合低矮空間場合。 |
||||||
|
相關產品
|









