日本OJ牌EH雙作用分離式千斤頂,采用液壓復位,輸出力大,重量輕,可遠距離操作,是一款應用范圍非常廣泛的液壓起重設備。
【產品名稱】EH雙作用分離式千斤頂
【產品品牌】日本OJ大阪千斤頂(OSAKA JACK)
【產品規格】5T?10T
【產品保質】保質期12個月
【產品分類】分離式千斤頂
【典型應用】較大的行程和較強的舉升能力,是維修,生產制造,建筑等作業的理想選擇

EH雙作用分離式千斤頂介紹
●EH雙作用分離式千斤頂活塞桿進行了鍍鉻加工;
●EH雙作用分離式千斤頂附有除去活塞桿上付著灰塵的防塵密封;
●EH雙作用分離式千斤頂臺座為嵌入式。螺紋旋入式請另行定購;
●EH雙作用分離式千斤頂需要顛倒使用時,請使用螺紋旋入式的臺座;
●EH雙作用分離式千斤頂推拉均由液壓進行動作;
●EH雙作用分離式千斤頂的拉力約為升力的1/2;
●EH雙作用分離式千斤頂底部備有安裝用螺紋;
●EH雙作用分離式千斤頂油缸外徑上備有安裝用螺紋。
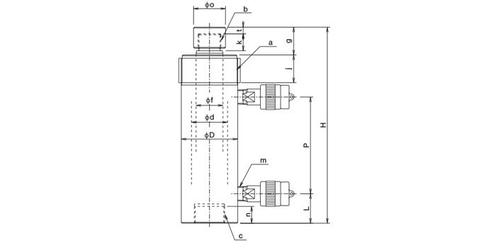
EH雙作用分離式千斤頂尺寸圖

EH雙作用分離式千斤頂參數
| 型號單位項目 |
|
E5H3 |
E5H8 |
E5H15 |
E10H3 |
E10H8 |
E10H15 |
E10H25 |
| 升力 |
kN(tf) |
50(5) |
100(10) |
| 拉力 |
kN(tf) |
22(2.2) |
45(4.5) |
| 行程 |
mm |
30 |
80 |
150 |
30 |
80 |
150 |
250 |
| 高度 H |
mm |
168 |
218 |
288 |
183 |
233 |
303 |
403 |
| 油缸外徑 D |
mm |
55 |
67 |
| 油缸內徑 d |
mm |
30 |
43 |
| 承壓面積 |
cm2 |
7.07 |
14.52 |
| 需要油量 |
m& |
21 |
57 |
106 |
44 |
116 |
218 |
363 |
| 質量約 |
Kg |
3 |
3.8 |
4.9 |
4.5 |
5.5 |
7 |
9.5 |
| 頸部螺紋的直徑 a |
mm |
M55ⅹ1.5 |
M67ⅹ1.5 |
| 頸部螺紋的長度 j |
mm |
27 |
33 |
| 活塞桿螺紋直徑 b |
mm |
M18ⅹ1.5 |
M27ⅹ2 |
| 活塞桿螺紋的長度k |
mm |
18 |
20 |
| 基座螺紋的直徑 c |
mm |
M27ⅹ2 |
M36ⅹ2 |
| 基座螺紋的長度 n |
mm |
17 |
20 |
| 活塞桿直徑 f |
mm |
22.4 |
32 |
| 臺座直徑 o |
mm |
28 |
38 |
| t |
mm |
8 |
| g |
mm |
30 |
33 |
| 接口螺紋 m |
- |
NPT3/8 |
| 到接口的高度 L |
mm |
31 |
35 |
| 接口之間的距離 P |
mm |
63 |
113 |
183 |
65 |
115 |
185 |
285 |
| 推薦泵 |
手動泵 |
TWAD-0.9 |
| 電動泵 |
NEX-2 或 GH1/2、GH1 |
| 附屬接頭 |
B-6JG |