| 產品描述 | 技術參數 | 包裝參數 | 技術文檔 | |||
|
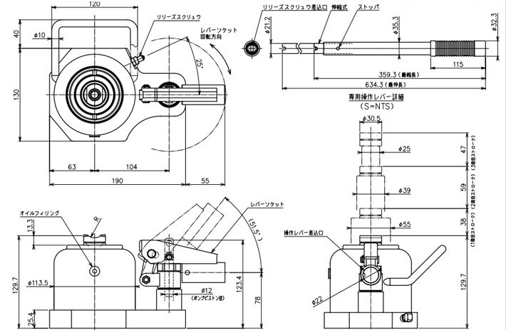
ED-30TS3三節迷你型千斤頂介紹
【產品名稱】EAGLE JACK ED-30TS3三節迷你型千斤頂 【產品品牌】日本EAGLE JACK 【產品規格】ED-30TS3三節迷你型千斤頂(載荷3噸,行程144mm) 【產品保質】保質期1年 【產品目錄】迷你型千斤頂 【是否現貨】現貨供應 【是否定制】提供定制服務,同時可定制“ED-30TS3C鷹牌無塵室用多節式千斤頂” 【典型應用】狹小空間頂升,常被用于輪胎更換等場合
ED-30TS3三節迷你型千斤頂質保 EAGLE JACK ED-30TS3三節迷你型千斤頂為日本原裝進口產品,保質1年,我公司承諾凡是客戶在我公司定購的進口類產品均為原裝正品,絕不存在拆件貨,換件貨,假冒品牌產品,凡客戶從我公司定購EAGLE JACK產品如收到貨物時發現有拆件貨,換件貨,假冒、假貨仿貨均以100倍金額賠償。
ED-30TS3三節迷你型千斤頂優勢 ●ED-30TS3三節迷你型千斤頂,超低床型千斤頂,本體高度僅130mm; ●ED-30TS3三節迷你型千斤頂,三段式頂升,總行程達144mm,從130mm到274mm一口氣舉起; ●ED-30TS3三節迷你型千斤頂,特殊設計球面頭帽,5°傾斜范圍內,穩定頂升,耐偏負荷性提高; ●ED-30TS3三節迷你型千斤頂,設計有安全閥防超載,作業時的安全性大大提高; ●ED-30TS3三節迷你型千斤頂,旋轉式插孔插座,可自由選擇各角度操作。
【ED-30TS3三節迷你型千斤頂使用案例圖片】
|
||||||
|
相關產品
|










