| 產品描述 | 技術參數 | 包裝參數 | 技術文檔 | |||
|
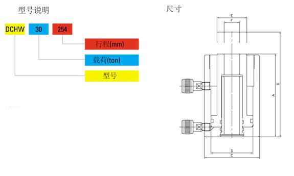
DCHW雙作用中空分離式千斤頂介紹 【產品名稱】TONNERS DCHW雙作用中空分離式千斤頂 【產品品牌】韓國Tonners 【產品規格】DCHW-30254雙作用中空分離式千斤頂(載荷30噸)、DCHW-60257雙作用中空分離式千斤頂(載荷60噸)、DCHW-100257雙作用中空分離式千斤頂(載荷100噸)、DCHW-150203雙作用中空分離式千斤頂(載荷150噸) 【產品保質】保質一年 【品牌資訊】韓國Tonners品牌介紹 【產品認證】獲得ISO 9001:2000認證、CE認證、ISO 14001環境管理體系認證 【典型應用】用于模型夾具、沖壓、牽引,測試拉力等 【產品分類】分離式千斤頂
DCHW雙作用中空分離式千斤頂質保 TONNERS DCHW雙作用中空分離式千斤頂為韓國原裝進口產品,保質1年,我公司承諾凡是客戶在我公司定購的進口類產品均為原裝正品,絕不存在拆件貨,換件貨,假冒品牌產品,凡客戶從我公司定購韓國TONNERS產品如收到貨物時發現有拆件貨,換件貨,假冒、假貨仿貨均以100倍金額賠償。
DCHW雙作用中空分離式千斤頂特點 ●DCHW雙作用中空分離式千斤頂采用雙作用設計,用于模型夾具、沖壓、牽引 ●DCHW雙作用中空分離式千斤頂孔位于中間位置,主要用于測試拉力 ●DCHW雙作用中空分離式千斤頂可以單臺或多臺組合使用,搭配手動泵或電動泵 |
||||||
|
相關產品
|








